Если ваш автомобиль имеет в подвеске, какие либо резиновые втулки и сайлентблоки, которые можно заменить полиуретановыми деталями, то Вы только улучшите характеристики подвески и её работу. Полиуретановые детали прослужат как минимум в 5 раз больше, чем резиновые детали. Контроль над управляемостью и сохранение геометрии подвески в экстремальных условиях вождения. Вы лучше чувствуете автомобиль и его возможности. Полиуретановые детали улучшают поведение автомобиля на дороге, снижая нежелательные деформации в подвеске и устраняя эффект “выжимания”, свойственный резиновым деталям. Это означает то, что подвеска всегда работает в предусмотренном конструкторами режиме. Правильно установленные и подобранные полиуретановые детали всегда работают лучше, поглощая удары, вибрацию и снижая шум по сравнению с резиной.
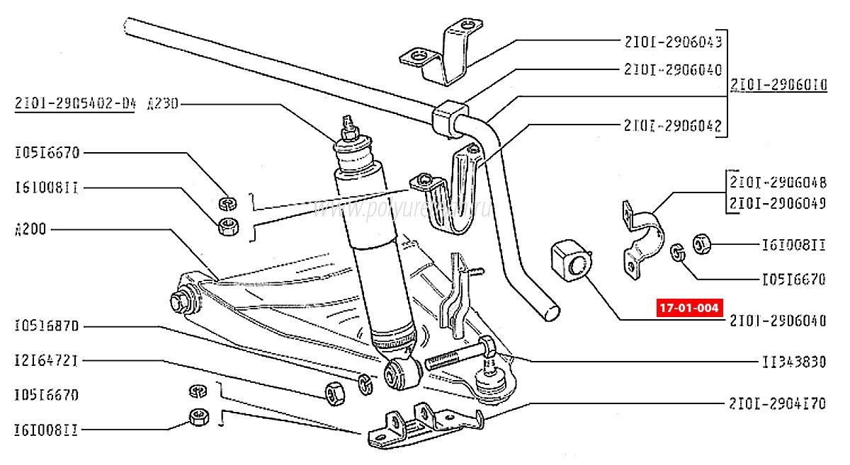
ОПИСАНИЕ: ВАЗ 2101 - ВАЗ 2107
OEM: 2101-2906040
ПРИМЕЧАНИЕ:
МАТЕРИАЛ: Полиуретан
